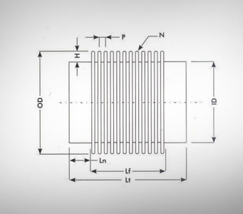
A bellow is a flexible expansion pipe made up of rubber or stainless steel which serves the purpose of absorbing the expansion or contraction in the pipes or surrounding of a hydraulic circuit. This expansion or contraction may occur due to various reasons like change in temperature of the material being transferred through the circuit, change in the external environment, to absorb any structural change in the circuit or to absorb the settlement of earth which may happen anytime and is an inevitable thing by mankind.
The expansion bellow solve the purpose of absorbing all these changes and leads to proper functionality of the hydraulic circuit without any difference in performance. A very common example of bellow is that used in large interconnected buses, trams, trains, metro trains or tubes to connect the wagons from each other to provide interconnectivity and passage and to absorb the regular bends on regular intervals without any interruption.
We at P & A Products are engaged into manufacturing expansion belows for industrial purpose. We have a wide range of expansion belows available in rubber or metals like stainless steel and in various diameters, designs, different flexibility etc to solve different industrial requirement of our clients. We can also manufacture expansion below on demand as per the requirement of variables by our clients to solve their distinct requirements.
.jpg)
.jpg)
.jpg)
.jpg)